ELGD-TB-KF-80



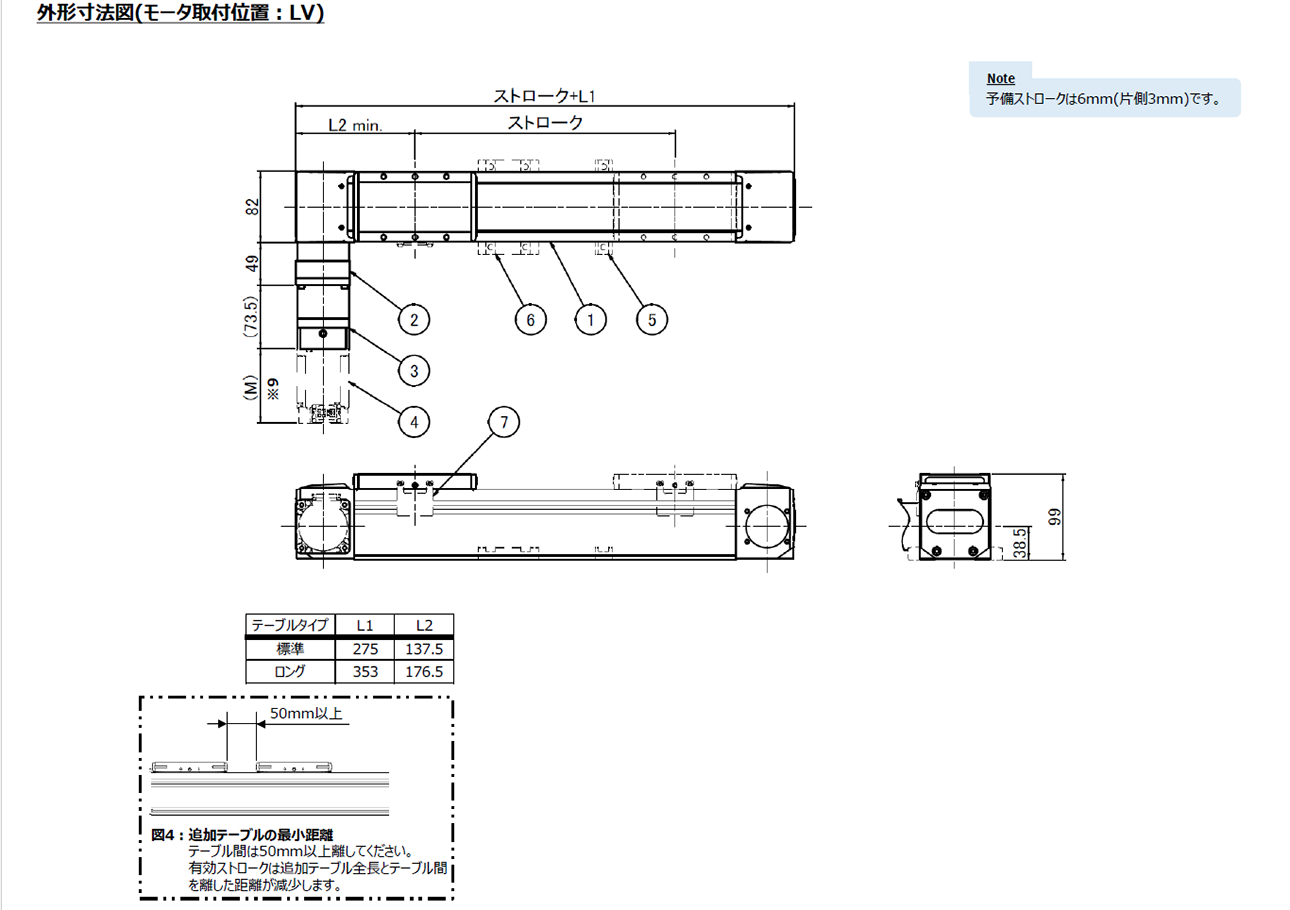
| 項目 | 名称 | 型式 | 備考 | 製品番号※8 |
|---|---|---|---|---|
| 1 | アクチュエータ | ELGD-TB-KF-80- | 8176885 | |
| 2 | アキシャルキット | EAMM-A-L48-60H-G2 | 8197458 | |
| 3 | 減速機 | CP015S-MF1-□-0C1-2S/_※6 | WITTENSTEIN | ホームページ |
| 4 | サーボモータ | ご指定のモータ | モータ情報 | |
| 5 | 本体取付金具 | EAHF-E24-60-P-S | アクセサリ(別売)※7 | 8197128 |
| 6 | 本体取付金具 | EAHF-E24-60-P | アクセサリ(別売)※7 | 8197132 |
| 7 | センサドグ | EAPM-E24-60-SLS | アクセサリ(別売)※7 | 8197117 |
※6 減速機形式の□には減速比を表す数字、_にはモータ形式が入ります。
※8 製品番号に各部品のWebページがリンクされています。各部品の詳細情報の閲覧やCADデータのダウンロードが可能です。
※9 モータ全長(M)はこちら
